Post

STM32时钟树

STM32时钟树

对于嵌入式设备来说,时钟是脉搏,时钟是具有周期性的脉冲信号,最常用的是占空比为50%的方波。

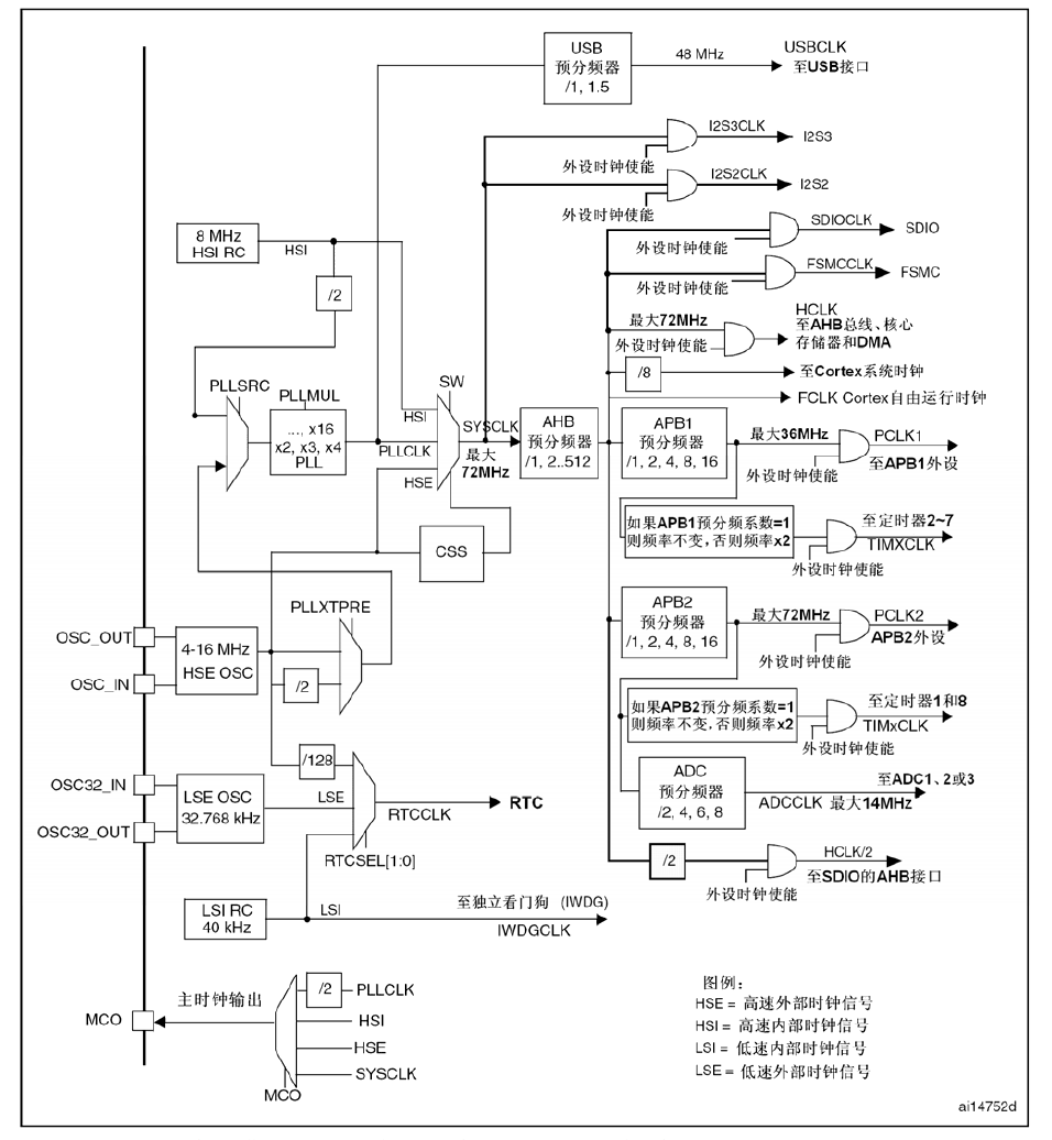
F1系列

F1时钟树

共有四种时钟源,具体名称见下图

image-20250423103541510

外部时钟比内部时钟更稳定和准确,但是会带来附加成本。

将上图简化可以得到:

image-20250423105158252

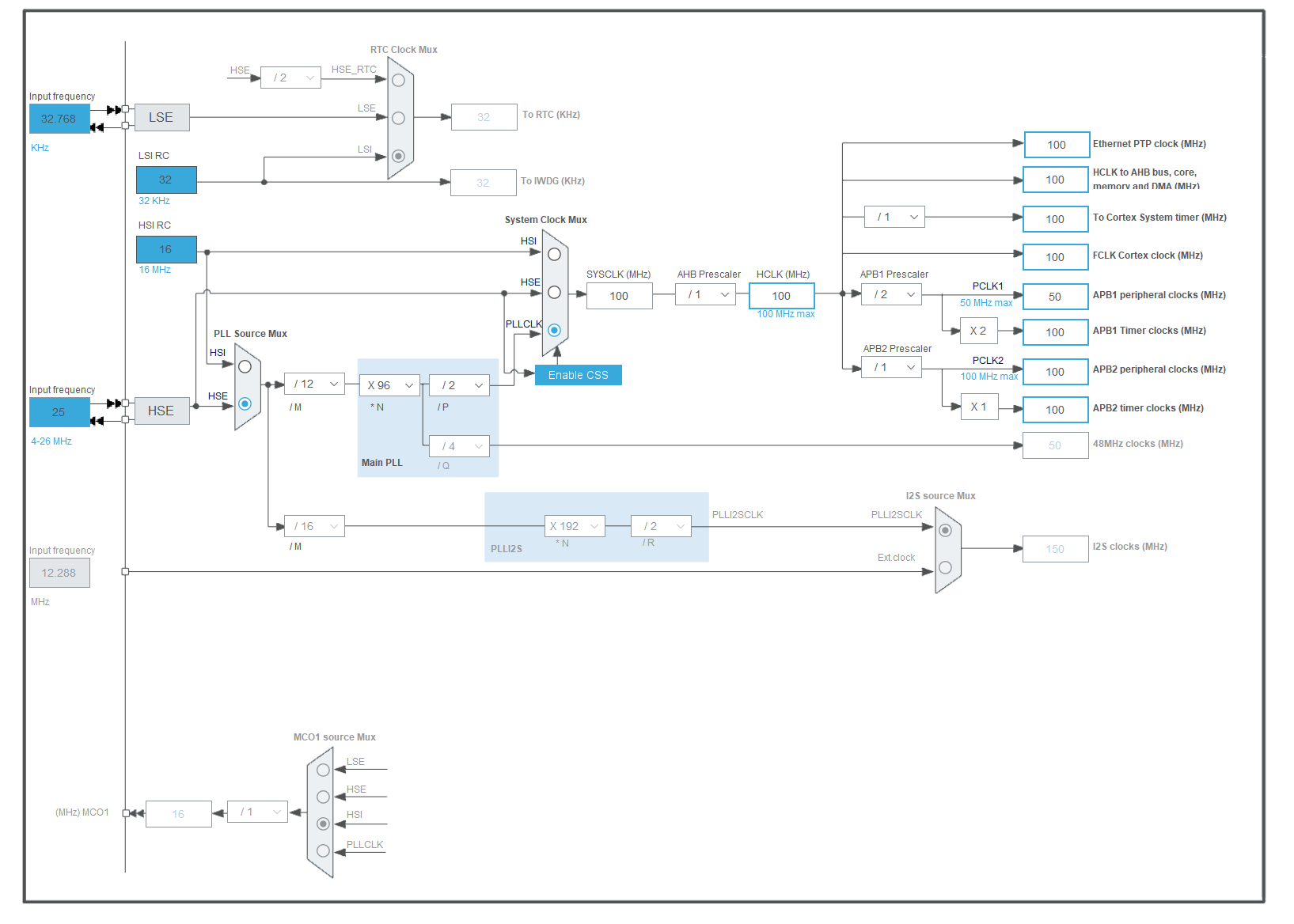
F4系列

image-20250423110146217

This post is licensed under CC BY 4.0 by the author.